| توافر الحالة: | |
|---|---|
| الكمية: | |
SQ-6-PLC
SANQIANG
SQ-6 PLC نوع صب الروتاري صب آلة صب
آلة صب ضربة الدوارة هي جهازنا الشهير ، وهو مناسب لإنتاج زجاجات صغيرة من 1 مل إلى 800 مل. تم استخدام هذه الآلة على نطاق واسع لإنتاج أنابيب جليدية لولي وزجاجات البوب الجليدية وزجاجات الحليب وزجاجات الزبادي وزجاجات الأدوية وقطرات الأنابيب.
يمكن أن تعمل آلة صب ضربة دوارة مع مواد LDPE و HDPE و PP ، ويمكن التحكم في سماكة الزجاجة بواسطة جهازنا بسهولة.
يمكن أن تنتج آلة صب الضرب الدوار الخاصة بنا مع إخراج سرعة عالية جدًا ، يمكن أن تصل كل ساعة إلى 3000 قطعة من أنابيب looly. 5000 قطعة من قطار ماصة. 1000 قطعة فوق زجاجات عصير اللبن اللبن ؛
عرض الفيديو:
الأعلى. احتواء الزجاجة | 800 مل |
الطاقة الانتاجية | 3000 جهاز كمبيوتر/ساعة (بوبالز الجليد) |
عرض العفن المسموح به | 125mm |
سماكة العفن المسموح بها | 118mm |
نفخ ضغط الهواء | 0.4-0.7mpa |
القوة المصنفة | 15 كيلو وات |
متوسط قوة الجري | 7kw |
قطر المسمار الطارد | 55mm |
قدرة تلطيخ | 40 كجم/ساعة |
حجم الإطار الرئيسي (L.W.H) | 3300 × 1200 × 1500 مم |
وزن | 1500 كجم |
فيما يلي الجليد لطف أنبوب صفقات صفقات الفيديو من youtube.com
فيما يلي زجاجة Litchi 8 محطات Rotary Blow Tabling Machine Demo:
هذه آلة صب 6MOLDS هي التحكم PLC ، سهلة التشغيل. يمكن لـ PLC لغات اللغة الإنجليزية.
يمكن أن تنتج أنبوب البوب الجليدي ، الجليد lolly ، زجاجة ناعمة الهلام. يمكن لآلة PLC إنتاج الملوثات العضوية الثابتة الجليدية التلقائي الكامل.
خدمة ما بعد المبيعات: يجب على المشتري أن يدفع مقابل جميع الرسوم للطيران والإقامة وما إلى ذلك ، يمكن أن يأتي البائع إلى مصنع المشترين لتثبيت الجهاز وضبطه. تكلفة المحرك هي 80 دولارًا أمريكيًا.
Warrenty: نضمن جودة هذا الجهاز لمدة 12 شهرًا ، إذا كان هناك أي مشكلة في الجهاز ، أو أي أجزاء رئيسية مكسورة ، سنقوم بإصلاحه أو استبداله مجانًا.
لدينا ثلاثة أنماط من آلة صب ضربة دوارة:
النمط المتصل: يتم توصيل المنفاخ والبثق ليكون آلة كاملة ؛
نمط منفصل: المنفاخ والبثق منفصلان ليكونا جهازين منفصلين ؛
نمط PLC: يتم تمييز المنفاخ والبثق والتحكم فيه بواسطة شاشة PLC Touch.
آلة صب دوارة النمط المتصلة على النحو التالي:
آلة صب انفجار دوارة منفصلة على النحو الوارد أدناه (البثق والمنفاخ بشكل منفصل):
آلة صب الروتاري من نوع PLC على النحو التالي:
1 ، هذا النوع من الجهاز مزود بشاشة التحكم PLC ، يتم بناء وحدة التحكم في درجة الحرارة في النظام.
قوالب أنبوب Ice Looly كما هو موضح أدناه:
آلة شركتنا في عمل العميل:
آلةنا في معرض بنغلاديش
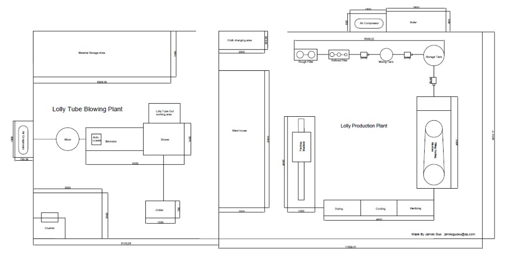
تخطيط نبات أنبوب الثلج
تخطيط مصنع إنتاج الجليد لولي
طريقة التعبئة:
SQ-6 PLC نوع صب الروتاري صب آلة صب
آلة صب ضربة الدوارة هي جهازنا الشهير ، وهو مناسب لإنتاج زجاجات صغيرة من 1 مل إلى 800 مل. تم استخدام هذه الآلة على نطاق واسع لإنتاج أنابيب جليدية لولي وزجاجات البوب الجليدية وزجاجات الحليب وزجاجات الزبادي وزجاجات الأدوية وقطرات الأنابيب.
يمكن أن تعمل آلة صب ضربة دوارة مع مواد LDPE و HDPE و PP ، ويمكن التحكم في سماكة الزجاجة بواسطة جهازنا بسهولة.
يمكن أن تنتج آلة صب الضرب الدوار الخاصة بنا مع إخراج سرعة عالية جدًا ، يمكن أن تصل كل ساعة إلى 3000 قطعة من أنابيب looly. 5000 قطعة من قطار ماصة. 1000 قطعة فوق زجاجات عصير اللبن اللبن ؛
عرض الفيديو:
الأعلى. احتواء الزجاجة | 800 مل |
الطاقة الانتاجية | 3000 جهاز كمبيوتر/ساعة (بوبالز الجليد) |
عرض العفن المسموح به | 125mm |
سماكة العفن المسموح بها | 118mm |
نفخ ضغط الهواء | 0.4-0.7mpa |
القوة المصنفة | 15 كيلو وات |
متوسط قوة الجري | 7kw |
قطر المسمار الطارد | 55mm |
قدرة تلطيخ | 40 كجم/ساعة |
حجم الإطار الرئيسي (L.W.H) | 3300 × 1200 × 1500 مم |
وزن | 1500 كجم |
فيما يلي الجليد لطف أنبوب صفقات صفقات الفيديو من youtube.com
فيما يلي زجاجة Litchi 8 محطات Rotary Blow Tabling Machine Demo:
هذه آلة صب 6MOLDS هي التحكم PLC ، سهلة التشغيل. يمكن لـ PLC لغات اللغة الإنجليزية.
يمكن أن تنتج أنبوب البوب الجليدي ، الجليد lolly ، زجاجة ناعمة الهلام. يمكن لآلة PLC إنتاج الملوثات العضوية الثابتة الجليدية التلقائي الكامل.
خدمة ما بعد المبيعات: يجب على المشتري أن يدفع مقابل جميع الرسوم للطيران والإقامة وما إلى ذلك ، يمكن أن يأتي البائع إلى مصنع المشترين لتثبيت الجهاز وضبطه. تكلفة المحرك هي 80 دولارًا أمريكيًا.
Warrenty: نضمن جودة هذا الجهاز لمدة 12 شهرًا ، إذا كان هناك أي مشكلة في الجهاز ، أو أي أجزاء رئيسية مكسورة ، سنقوم بإصلاحه أو استبداله مجانًا.
لدينا ثلاثة أنماط من آلة صب ضربة دوارة:
النمط المتصل: يتم توصيل المنفاخ والبثق ليكون آلة كاملة ؛
نمط منفصل: المنفاخ والبثق منفصلان ليكونا جهازين منفصلين ؛
نمط PLC: يتم تمييز المنفاخ والبثق والتحكم فيه بواسطة شاشة PLC Touch.
آلة صب دوارة النمط المتصلة على النحو التالي:
آلة صب انفجار دوارة منفصلة على النحو الوارد أدناه (البثق والمنفاخ بشكل منفصل):
آلة صب الروتاري من نوع PLC على النحو التالي:
1 ، هذا النوع من الجهاز مزود بشاشة التحكم PLC ، يتم بناء وحدة التحكم في درجة الحرارة في النظام.
قوالب أنبوب Ice Looly كما هو موضح أدناه:
آلة شركتنا في عمل العميل:
آلةنا في معرض بنغلاديش
تخطيط نبات أنبوب الثلج
تخطيط مصنع إنتاج الجليد لولي
طريقة التعبئة:
